0
Items : 0
Subtotal :  0.00
View CartCheck Out
Chennai
Chennai
Singapore
Mumbai
Switzerland
+91 44 4091 2000 Mon - Fri 09:00 - 18:30 766/1, TEZ, Sakthi Towers 1, Anna salai, Chennai 600 002.
+6584181583 Mon - Fri 09:00 - 18:30 68 Circular Road, #02-01, 049422, Singapore.
+91 98848 35702 Mon - Fri 09:00 - 18:30 5, Powai Lake Heights, Mumbai 400 072
+41 (0)91 225 81 00 Mon - Fri 09:00 - 18:30 Equvera - ISV Techno SAGL, Via Ligornetto 6A, 6855 Stabio, Switzerland
Ceritified
ISO 9001:2018
The Best
#1 in India
#1 in Europe
#1 in Asian-pacific
Number #1
AUTOMATION SOLUTION PROVIDER
Talk to an Expert
0
Items : 0
Subtotal :  0.00
View CartCheck Out

PC-HELPER PC-based DAQ & Control

PC-HELPER PC-based DAQ & Control

As a leading manufacturer of PC-based measurement control and communication systems, we provide more than 300 types of easy-to-use device components based on the concept “Bring the Ease of PCs to Factory Automation and Measurement Control”. We provide PCI Express / PCI / Raspberry Pi compatible cards, Ethernet, abundant wireless communication device products, and also have support software such as low code development tools and data loggers to support your application development.

Measurement and Control, Communication Interface

Search by Function

Multi-function DAQ

Multifunction device is integrated I/O functions such as analog I/O, digital I/O, counters.

Analog I/O

Voltage and current signal I/O (A/D conversion and D/A conversion). Measurement and analysis of temperature, vibration, displacement and load, actuator control, etc.

Sensor Input

Measurement with various sensors. Temperature measurement with thermocouples and temperature measuring resistors.

Digital I/O

Photocoupler isolation/TTL input and output, transistor and relay contact output. ON/OFF monitoring control, switch, LED, 7-segment display, and microcomputer communication.

Measuring instrument

Modularize the functions of high-performance measuring instruments used in experiments as PC peripherals.

Counters

Encoders, linear gauges, and magnescale position detectors. Motor feedback control. Integrating count of production-related pulses such as flow rate and electric power.

Motion control

Pulse motor and servo motor control. Multi-axis robot, conveyor, rotary table, and XY table positioning control.

Serial communication

RS-232C/RS-422/RS-485 communication and remote control of equipment for commercial use such as barcode readers, measuring devices, UPS, visual/audio.

CAN (Controller Area Network)

Automotive parts inspection, ECU inspection, BMU inspection, failure diagnosis, and in-plant field network.

GPIB communication

GPIB (IEEE 488) communication and remote control with instruments such as multimeters, analyzers, function generators, and oscilloscopes.

Search by Bus

Raspberry Pi cards

CPI Series HAT Size card with Raspberry Pi support for Ease of Use in FA and Measurement Control Applications.

USB modules

USB port connection type modules. Ideal for laptops. Large selection of DIN rail mount type is also available.

Wireless I/O

I/O device using sub-1GHz band wireless communication technology with high diffraction and resistance to obstacles.

Ethernet I/O

Conectable with an equipment using LAN port.

PCI Express cards

Interface cards for desktop PC with PCI Express standard. Large selection of low profile type is available as well.

PCI cards

Interface boards for desktop PC with PCI standard. Large selection of low profile type is available as well.

Easy to Wire & Expand the Functions

Terminal blocks

BNC and screw-fastened relay terminal blocks, function expansion modules, and I/O test tools.

Cables

Shielded cables, flat cables, conversion connectors and branch cables.

Function expansion modules

Simultaneous sample and hold, buffer amplifier, I/O test tool, etc.

Check the cables / terminal blocks accessories compatibility
Add Expansion Slots

I/O expansion boxes

Installation of extra PCI Express and PCI expansion slots to desktop and laptop PCs.

Support Software

Device Drivers / Software Development Kit (SDK) – API-TOOL

API-TOOL is a software development kit that supports more than 250 types of measurement control / communication interfaces. The API is integrated for each function, making it bus-independent and ensuring high compatibility at the API level. Includes sample programs for popular languages ​​such as Visual Basic .NET, Visual C #, and Python, and a self-diagnosis report function.

Middlewares / DAQfast Library
NEW!DAQfast for Visual Studio

A GUI-based measurement system development support tool compatible with the Visual Studio low-code integrated development environment. It contains a collection of components that are very useful for developing applications using Contec’s wealth of measurement control devices in the PC-HELPER series (PCIe/PCI, USB, Ethernet) and the industrial IoT CONPROSYS™ nano series.

DAQfast for LabVIEW

A free LabVIEW compatible data acquisition library for using our company’s devices (PCIExpress / PCI / USB module) with National Instruments LabVIEW. Adopted Polymorphic VI and designed so that LabVIEW users operate easily without any discomfort. Easy, quickly realize customer’s ‘I want to do’.

DAQfast for Fieldbus
NEW! Utilize IO-Link with Windows

The Modbus communication library allows you to control the communication of the CONPROSYS IO-Link master CPSL-08P1EN from Windows. You can build a PC-based remote I/O system by utilizing the abundant intelligent sensors that support IO-Link.

DAQfast CODESYS service for Windows
Windows x CODESYS

This is a Windows service for performing measurement and control of PC-HELPER series products from the development environment ‘CODESYS’, which complies with the international standard IEC 61131-3.

DAQfast for Edgecross

A software that implements cooperation between Edgecross basic software platform and data from measurement control and remote I/O devices. It enables you to utilize our abundant measurement control and remote I/O equipment on the Edgecross platform. Data can be collected from sensors and switch circuits that are not compatible with industrial networks.

Applications

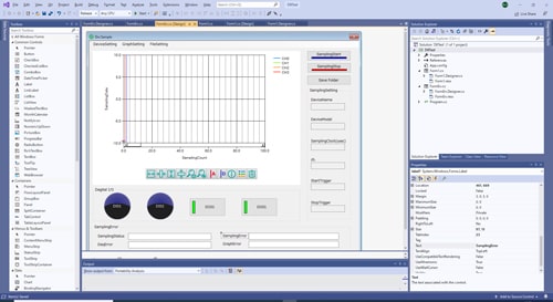
A Windows version of data logger software for analog I/O device products. It provides true data collection and monitoring function, such collected signal data graph drawing, zoom observation, file saving, and dynamic transfer to Excel (spreadsheet program) without any need for annoying programming.

C-WaveformGenerator is a Software that easily outputs basic waveforms using Contec’s analog output device on Windows 11/10. Compatible with a wide variety of measurement control devices PC-HELPER series (PCIe/PCI, USB).

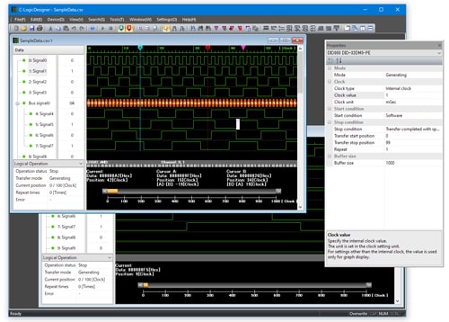
A software that uses a Contec high-speed bidirectional digital I/O device (32DM series) to generate digital signals and provide logic analyzer functions based on sampling. It is capable of automatically generating digital signal patterns and directly editing data in graphs, as well as generating signals based on a wide range of output conditions, checking signals that were sampled under specified conditions, saving data in files, searching data patterns, frequency calculation, and other functions.