Wire harnesses (cable harnesses) help simplify assembly processes for automobiles, medical equipment, elevators, robots, and various other products.
However, putting together various wires using cable ties or tubes and then attaching multi-core connectors to the multiple ends can be incredibly complex. This results in notable diversity between the manufacturing processes of wire harnesses, making automated production difficult and often causing a bottleneck in the overall process.
Continuity tests using several different inspection patterns are particularly necessary in the inspection process, making it virtually impossible to shorten the takt time.
The DIO-128SLX-USB is a USB I/O unit with 128 bidirectional digital I/O channels capable of shortening takt time for wire harness continuity inspections and acceptance and shipping inspections for connectors and other components.
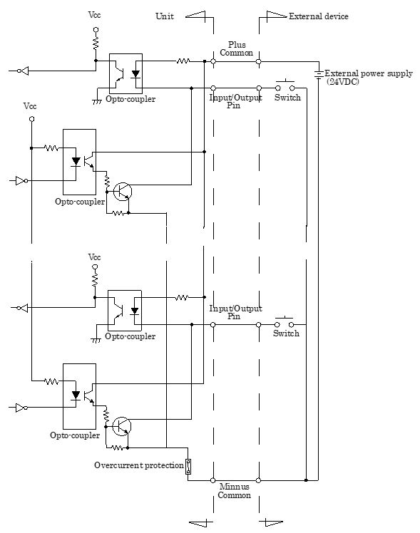
The DIO-128SLX-USB’s 128 digital I/O channels can be individually programmed to switch between input or output as needed. Using software to switch the inspection pattern means there is no need to change the wiring between a wire harnesses (inspection target) and inspection jig, eliminating the time previously required for replacement.
Because the DIO-128SLX-USB can be connected via USB, inspections can be performed directly from a notebook or laptop PC. This also contributes to the miniaturization of inspection equipment and helps to save energy.
##ch inputs + ##ch outputs = 128 channels
Recommended for applications requiring a large number of inputs but only a few outputs
This DIO-128SLX-USB is ideal for applications where, for example, more than 100 inputs are required but 8 outputs are sufficient. With conventional methods, separate input and output devices are required, but this I/O unit can handle both tasks at the same time. Each of the 128 channels can be set to input or output as needed, and the number of inputs and outputs can be freely adjusted to suit the application.

Digital I/O USB I/O unit bi-directional 128ch (isolated 24VDC) – the X series